WD‑G6 Quad‑Band GNSS Spoofing Module for Fixed Stations

High‑Power · Long‑Range · Ethernet‑Controlled

Appearance of the WD‑G6 Module
The WD‑G6 is a high‑performance quad‑band GNSS spoofing module designed for fixed‑station applications, capable of real‑time spoofing on GPS L1CA, BDS B1I, GLONASS L1, and GALILEO E1 signals.

Product Overview

The WD‑G6 is a high‑performance quad‑band GNSS spoofing module designed for fixed‑station applications, capable of real‑time spoofing on GPS L1CA, BDS B1I, GLONASS L1, and GALILEO E1 signals.
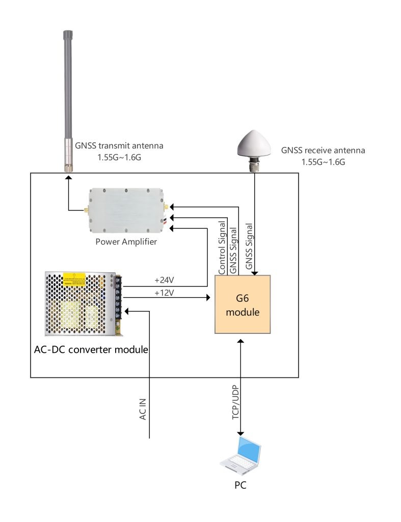
With only a power supply and antenna required, the WD‑G6 delivers up to 10 dBm of output power and includes a PA‑enable control port for seamless integration with high‑power external RF amplifiers.
When paired with a 10 W power amplifier, field tests have demonstrated coverage exceeding 20 km.

The module supports Ethernet connectivity with both TCP and UDP modes, making it highly versatile for remote operation. A demo control software package, along with APIs or dynamic libraries, is available for secondary development.

The module is also can be configured to operate in jamming mode.
Custom interfaces, tailored functionalities, complete solution packages, and proven source codes are available for OEMs and integration partners.


Key Features

  • Quad‑Band Operation – GPS L1CA, BDS B1I, GLONASS L1, GALILEO E1
  • Fixed‑Station Design – Operates with only a power supply and antenna
  • High Output Power – Up to 10 dBm natively; compatible with external PA modules
  • Extended Range Capability – Over 20 km coverage with 10 W amplifier (tested)
  • Ethernet Interface – Supports both TCP and UDP modes
  • PA Enable Control – Easily integrates with high‑power amplifiers
  • Developer‑Friendly – API, dynamic libraries, and demo control software provided
  • Customizable – Hardware and software modifications available to meet specific demands

Key Specifications

ParameterSpecification
Supported FrequenciesGPS L1CA / BDS B1I / GLONASS L1 / GALILEO E1
Output PowerUp to 10 dBm (native)
Extended OutputCompatible with 10 W+ external amplifiers
Coverage Range20 km+ with 10 W PA (field tested)
Control InterfaceEthernet (TCP / UDP)
Amplifier ControlPA Enable Port
Power Requirement12V/1.5A
Dimensions150 mm × 98 mm × 32 mm
Weight<600g
CustomizationInterfaces and functions available
Included ResourcesDemo control software, API, dynamic libraries

Applications

  • GNSS spoofing for fixed‑station field tests
  • Navigation system robustness evaluation
  • Long‑range GNSS signal simulation
  • Military and security research
  • OEM integration into high‑power RF systems

AC Power Input Application Diagram

DC Power Input Application Diagram

OEM & Partnership

We offer full technical documentation, complete turn‑key solutions, and proven source codes to support rapid deployment.
Custom development services are available for integration into specialized systems.

Our other products WD-G1 | WD-G9